welcome to!Shanghai chaocheng electron science and technology!
register
login
Set Homepage
Add to Favorites
shopping cart
contact us
中文版
English
search
Home
About us
Company Profile
|
Corporation Culture
|
Address of President
|
Company honor
News
company
|
industry
|
technology
Product
Electromagnet Series
|
Textile Machinery parts
|
Sensor series
|
Sample
Video Center
Display technology
HR
Your Job
|
Promotion
Enterprise album
E-shop
Contact us
contact way
|
NetWork
Feedback
Product
product Search
product:
Electromagnet Series
Textile Machinery Spare Parts
Sensor Series
category:
Search
location:
index
> >
Electromagnet Series
>
Textile machinery solenoids series
<
>
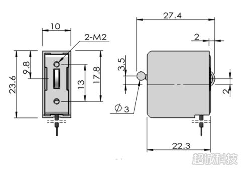
紡機類TAU0320X-2
No. :
Stock:
10件
price:
¥33.00
vip price:
login
date:
2013-3-14 15:33:35
BuyCount :
add cart
Buy it Now
If you need customized products, need to download the form fill in the details
Product Details
recommend
About Us
|
technical
|
Company Honor
|
CEO Speech
|
Video Center
|
Mall
|
sample
|
Net Work
|
Telephone
Copyright©2013
Shanghai chaocheng electron science and technology CO.,LTD
滬ICP備11026179號
technical support:
TTMN.COM
admin
EMAIL